產品說明

訂貨號 DN52369 異形母線支架 1極
適用母線 2T型、3T型
產品信息 | |
產品系列 | MXJ-1140 |
產品類型 | 母線支架 |
適用系統 | 60mm |
訂貨編號 | DN52369 |
額定電流 (Inc) | 1600A |
額定電壓 (Ue) AC | 690V |
額定短時耐受電流 (Icw) | 50kA/1s |
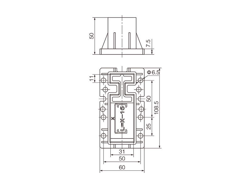
產品尺寸 寬×高×厚 (mm) | 50×108.5×60 |
產品重量 | - |
適用母線 | 異形銅母線 2T型、3T型 |
參考標準 | IEC 61439-1:2011 |
注:以上數據僅供參考,具體參數請咨詢工程師。 | |
適用條件

適用于60mm間距的封閉式母線系統中
2T形、3T形 異形銅母線
產品優勢

安裝便捷:模塊化設計,支持快速安裝和拆卸。
靈活適應:適配多種規格,適用多種安裝場景。
優質材料:選用優質PA6材料,延長使用壽命。
可持續性:材料環保無毒,符合RoHS標準。
尺寸圖


文件下載
